Csatlakozó külső menettel D110-125x4" PN16
Termék részletes leírása
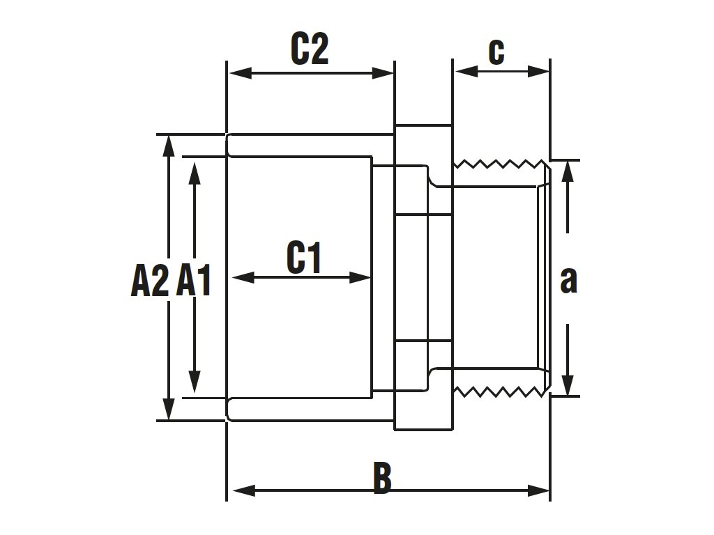
A külső menetes csatlakozóaljzat a menetes csatlakozásról a klasszikus PVC csőre vagy flexi tömlőre való átmenetre szolgál. A menetes csatlakozást semmilyen körülmények között ne ragasszuk. A csatlakozás lezárásához használjon teflon szalagot vagy szegecset. A tengelykapcsoló azonos átmérőjű PVC csövek ragasztására szolgál. Először alaposan tisztítsa meg a ragasztott hézagokat medencetisztítóval. Ezután vigyen fel egyenletes réteg medenceragasztót a megtisztított hézagokra. A ragasztás után hagyja a fugákat legalább 5 percig száradni, mielőtt folytatná. A medenceragasztók körülbelül 10-12 óra alatt megkeményednek. Ennyi idő után elkezdheti a szűrést.


Műszaki adatok:
- Belső átmérő: 110 mm
- Külső átmérő: 125 mm
- Csatlakozó menet: 4"
- Névleges nyomás: 16 bar
Kiegészítő paraméterek
| Kategória: | Csatlakozások és redukciók |
|---|---|
| Súly: | 0.1 kg |
| Átmérő D: | D110 |
| Névleges nyomás: | PN16 |
Legyen az első, aki véleményt ír ehhez a tételhez!
Hozzászólás hozzáadása
